ÎÒÃǺÜÊÇÖØÊÓÄúµÄ¸öÈËÒþ˽£¬µ±Äú»á¼ûÀûÀ´¹ú¹ú¼Ê×î¸øÁ¦µÄÀÏÅÆÍøÕ¾Ê±£¬ÇëÔÞ³ÉʹÓõÄËùÓÐcookie¡£¡£ÓйظöÈËÊý¾Ý´¦ÀíµÄ¸ü¶àÐÅÏ¢¿É»á¼û¡¶Òþ˽Õþ²ß¡·
CN
×ÔÖ÷Ñз¢ÁËÉú²ú¡¢Öü´æ¡¢¼ðÑ¡¡¢°ü×°¡¢ÊÕÖ§¿âµÈÈ«Á÷³ÌµÄ½¹µãÎïÁ÷»úеÈË¡£¡£
ÎÒÃÇÒ»ÇÐµÄÆð¾¢£¬¶¼ÊÇΪÁËÔÚÿһ¸öÒªº¦µã£¬ÈûúеÈ˸üÖÇÄÜÒ»µã£¬Èÿͻ§¸üÊ¡ÐÄÒ»µã£¬ÈÃÆóÒµ¸ü¸ßЧһµã¡£¡£
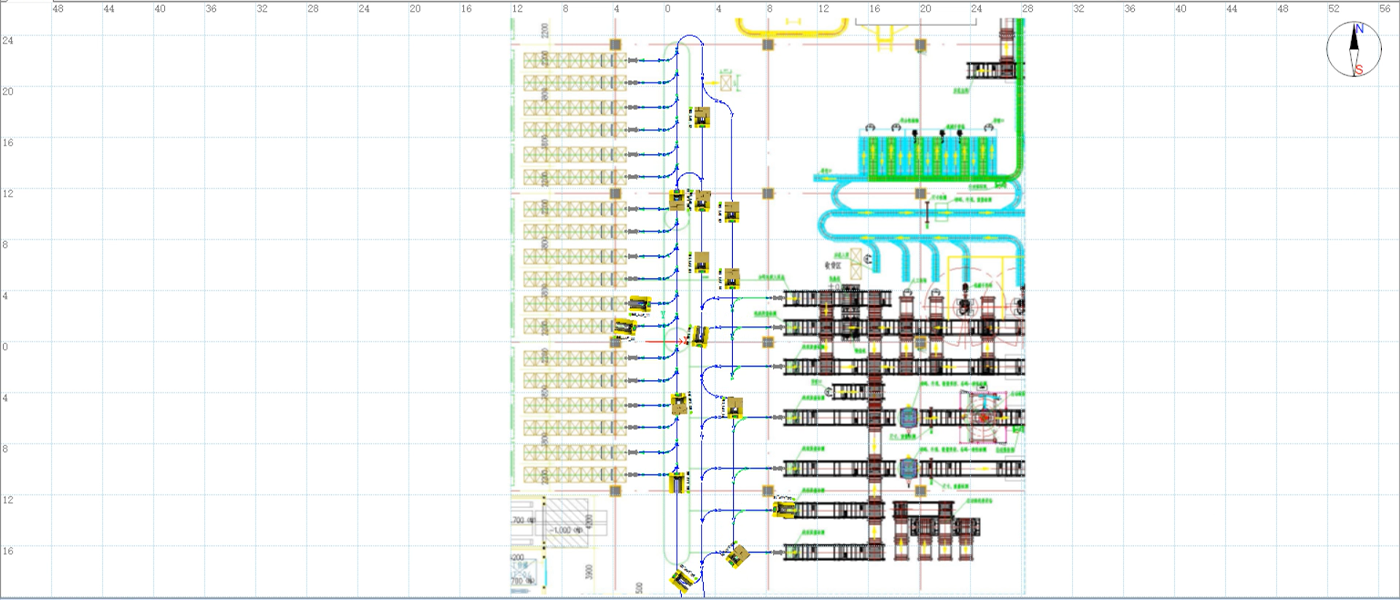
ÀûÀ´¹ú¹ú¼Ê×î¸øÁ¦µÄÀÏÅÆÖÇÄÜÊý×ÖÂÏÉúϵͳ£¨BlueSword Digital Twins£©ÊÇÒ»¿î¼¯¶¯Ì¬½¨Ä£¡£¡£¡¢ÐéÄâ·ÂÕæ¡¢ÀëÏßµ÷ÊÔ¡¢3D¼à¿Ø¡¢ÖÇÄÜÓÅ»¯ÓÚÒ»ÌåµÄÈ«Á÷³ÌÎïÁ÷ƽ̨¡£¡£
¹«Ë¾Ñз¢ÊµÁ¦ÐÛºñ£¬×Ô½¨¸ß¿Æ¼¼ÎïÁ÷×°±¸ÓëÊÖÒÕ¹¤ÒµÔ°Çø£¬ÖÂÁ¦ÓÚ²Ö´¢ÎïÁ÷ÊÖÒÕµÄÁ¢ÒìÑз¢£¬×ÔÑÐ×Ô²úÁËÖڶཹµãÎïÁ÷×°±¸¡£¡£
¼¯×ÉѯÍýÏë¡¢Èí¼þ¿ª·¢¡¢×°±¸ÖÆÔ졢ϵͳ¼¯³É¡¢×Ô¶¯»¯´úÔËӪΪһÌåµÄÈ«Á÷³ÌÖÇ»ÛÎïÁ÷ϵͳ½â¾ö·½°¸ÌṩÉÌ¡£¡£
ÀûÀ´¹ú¹ú¼Ê×î¸øÁ¦µÄÀÏÅÆÖÇÄÜAGVµ÷ÀíÈí¼þÖ÷Òª°üÀ¨·ÂÕæ¶ËÄ£×é¡¢·þÎñ¶ËÄ£×é¡¢¼à¿Ø¶ËÄ£×é¡¢ÍýÏë¶ËÄ£×é¡£¡£ »ùÓÚ×ÔÖ÷¿ª·¢¼à¿ØÓë·ÂÕæÒ»Ì廯ÊÖÒÕ£¬¿ÉÈ÷ÂÕæ¶ËÄ£×éÓë¼à¿Ø¶ËÄ£×é¹²ÓÃÒ»Ì×½¹µãËã·¨Óë²ÎÊý£¬Ïà±È×ÔÁ¦µÄ·ÂÕæÈí¼þ£¬·ÂÕæÐ§¹ûÔ½·¢×¼È·£»»ùÓÚʱ¼äÔ¤²â»úÖÆµÄAGVµ÷ÀíÊÖÒÕ£¬ÔÚ´ó¹æÄ£AGVÓ¦Óó¡¾°ÖУ¬¿ÉÓÐÓÃÌá¸ßAGVʹÓÃÂÊ£¬½µµÍ½»Í¨±ÜÕϼ¸ÂÊ£¬ÊµÏÖÕûϵһÇÐЧÂʵÄÌáÉý¡£¡£
01
ƾ֤AGVʹÃüÐÅÏ¢£¬ÌìÉúһϵÁÐÁ¬ÐøÊ±¼ä´°Ä£×Ó£¬´ú±íAGVµÄʵʱλÖã¬ÊµÏÖÁ˶¯Ì¬ÕæÕæÏàÐθÐÖªÓë±í´ï£¬½â¾ö³µÁ¾Ö®¼äʱ¼äºÍ¿Õ¼ä³åÍ»¡£¡£
02
ÌØÊâ˼Á¿³µÁ¾ÐÎ×´³ß´ç£¬ÔÚʱ¼ä´°Î¬¶ÈÉϸüÄÜ׼ȷÐÎò³µÁ¾ÔËÐÐÇéÐΣ¬Ïà±ÈÒµÄÚ³£ÓõĻùÓڹܿعæÔòµÄµ÷ÀíÊÖÒÕ£¬¿É½µµÍ±¬·¢½»Í¨¹ÜÖÆµÄ¸ÅÂÊ£¬Ìá¸ßÁË´ó¹æÄ£AGV²¢ÐÐÊÂÇéЧÂÊ¡£¡£
03
ÜöÝÍ·ÂÕæÓë¼à¿ØË«Öع¦Ð§£¬È÷ÂÕæ¹¦Ð§¿ÉÒÔÖÜÈ«ÒýÓÃ¼à¿Ø¹¦Ð§ÖÐÖÖÖÖϸ½Ú²ÎÊý£¬Ïà±È´¿´âµÄ·ÂÕæÈí¼þƽ̨£¬·ÂÕæÐ§¹ûµÄ׼ȷÐÔ¸ü¸ß¡£¡£¼à¿Ø¹¦Ð§ÒýÈëÁË·ÂÕæ¹¦Ð§ÖеÄÐéÄâ³µÁ¾¿´·¨£¬¿ÉÒÔÔÚ¼à¿ØÖÐÆÊÎöÔöÌí³µÁ¾ºóµÄµ÷ÀíЧ¹û£¬¹¦Ð§Ô½·¢¸»ºñ¡£¡£
ÍêÉÆÄúµÄÐÅÏ¢£¬ÀûÀ´¹ú¹ú¼Ê×î¸øÁ¦µÄÀÏÅÆÖÇÄÜרҵÍŶÓΪÄúÌṩ·þÎñ£¡£¡£¡